合作客户/
拜耳公司 |
同济大学 |
联合大学 |
美国保洁 |
美国强生 |
瑞士罗氏 |
相关新闻Info
-
> 环法XVDEVIOS破解版安卓手机安装包的测试原理、应用及优势
> 常见表面活性剂分类、性质、水溶液润湿性、与表面张力间的关系
> 不同助剂及浓度对IDK120-025型和LU120-015型喷头雾化效果的影响(三)
> 磁化水表面张力是多少
> 变化磁场、零磁场条件下磁性液体表面张力系数测定
> 基于表面光散射法的棕榈酸甲酯/乙酯高温表面张力与黏度测量(一)
> 调控NMVQ相表面张力对EPDM/NMVQ共混胶性能的影响
> 新研究的海水基耐高温驱油压裂液界面张力值等性能优于常规驱油压裂液产品
> 全自动XVDEVIOS破解版安卓手机安装包问题解决
> 强紫外线辐射对减缩剂抑制水泥石干缩变形效果研究(三)
推荐新闻Info
-
> 表面张力对机械结合面接触载荷、真实接触面积以及接触刚度的影响规律(四)
> 表面张力对机械结合面接触载荷、真实接触面积以及接触刚度的影响规律(三)
> 表面张力对机械结合面接触载荷、真实接触面积以及接触刚度的影响规律(二)
> 表面张力对机械结合面接触载荷、真实接触面积以及接触刚度的影响规律(一)
> 一种改进的CSF模型:用于SPH流体仿真的光滑表面张力模拟(二)
> 一种改进的CSF模型:用于SPH流体仿真的光滑表面张力模拟(一)
> 减弱贾敏效应的方法|表面活性剂改善贾敏效应实验
> 贾敏效应实验方法与步骤、结果
> 贾敏效应机理、影响因素及其在低渗透油藏开发中的危害(一)
> 面向高效环保灭火剂的界面张力最小化:短链氟碳复配体系的设计与解析(四)
改性环氧树脂乳液型碳纤维上浆剂制备、表面张力、黏度等性能测试(二)
来源:石油化工技术与经济 浏览 1157 次 发布时间:2024-12-11
2结果与讨论
2.1聚氨酯改性环氧树脂上浆剂对碳纤维的影响
2.1.1上浆剂制备原理与组成结构
为改善上浆碳纤维的后加工工艺性能,采用六亚甲基二异氰酸酯(HDI)共聚改性双酚A型环氧树脂,制备聚氨酯结构改性的环氧树脂组合物,同时加入表面活性剂十八碳醇聚氧乙烯醚、抗氧化剂2,6-二叔丁基对甲酚、流平剂BNK-LK380、防冻剂乙二醇丁醚等,通过转相乳化、高速剪切工艺,制备聚氨酯结构改性的环氧树脂乳液型上浆剂。
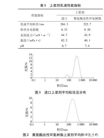
2.1.2上浆剂乳液的性能评价
制备的聚氨酯改性环氧树脂上浆剂乳液性能测试结果见表1,粒径及分布测试结果见图1~2。
由表1和图1~2可见:上浆剂乳液的平均粒径小于250 nm,呈单峰均匀分布,可满足碳纤维工程应用的长期储运要求;表面张力和经处理后的碳纤维表面能近似,更有利于乳液在碳纤维表面的快速铺展;黏度低,有利于上浆剂的浸润吸附和上浆剂的内部流动;pH稳定,对设备要求低,腐蚀性小。
2.1.3上浆剂对碳纤维性能的影响
采用聚氨酯改性环氧树脂上浆剂制备的碳纤维性能见表2。
表2测试结果表明:采用上海石化研制的聚氨酯改性环氧树脂碳纤维上浆剂,制备的上浆碳纤维工艺性能优异,集束性和扩幅性均较为突出,耐磨性远超进口上浆剂,毛丝量大幅度降低,层间剪切强度与进口上浆剂处于同一水平。上浆碳纤维综合物理性能达到或超过国外同类上浆剂水平,可满足多种后加工工艺的制备需求。
碳纤维表面SEM扫描电镜结果表明,上浆剂在碳纤维表面铺展均匀,无明显瑕疵斑块,在碳纤维表面的成膜性能较为良好。
2.2聚酯改性环氧树脂上浆剂对碳纤维的影响
2.2.1上浆剂制备原理与组成结构
为满足碳纤维工程化应用的快速上浆需求,上海石化研发了聚酯改性环氧树脂乳液上浆剂,采用聚乙二酸乙二醇酯共混改性双酚A型环氧树脂,并加入针对性开发的双酚A聚醚阴离子表面活性剂、BNK-LK380、2,6-二叔丁基对甲酚等组分。双酚A聚醚阴离子表面活性剂由枯基苯酚为引发剂,采用环氧乙烷开环聚合方法和连续磺铵基化反应得到。
所制备的聚酯改性环氧树脂上浆剂在核磁共振谱图的1.6×10-6、3.8×10-6、4.8×10-6、6.8×10-6、7.2×10-6处,红外光谱在3 309 cm-1、2 971/2 870cm-1、1 600 cm-1、1 721 cm-1以及1 103 cm-1等处出现甲基、苯环、聚酯、聚醚的特征吸收峰,表明结构中存在聚酯多元醇、双酚A聚醚阴离子表面活性剂等组分。双酚A聚醚阴离子表面活性剂具有优异的乳化性能和极低的浸润性能,在和聚酯多元醇配合的情况下,可显著降低上浆剂乳液的表面张力,提高上浆效率,增强上浆均匀性和稳定性。
2.2.2上浆剂乳液的性能评价
制备的聚酯改性环氧树脂上浆剂乳液性能见表3,粒径及分布测试结果见图3。
与进口上浆剂相比,制备的上浆剂乳液粒径稳定,变化率小,可稳定保存;黏度低,不易沾辊絮化;pH呈中性。
上浆剂的表面张力是决定上浆剂对碳纤维吸附能力和效果的首要因素。上浆剂表面张力越小,上浆剂在碳纤维表面铺展速度越快,上浆过程所需的浸渍时间越少,可以在一定程度上加快生产速度,提高经济效益。聚酯改性环氧树脂上浆剂的表面张力显著降低,碳纤维的浸润时间大幅度缩减,浸润铺展速度更快,可有效降低上浆时间,有利于碳纤维生产线速度的提高。
2.2.3上浆剂对碳纤维性能的影响
采用聚酯改性环氧树脂上浆剂制备的上浆碳纤维,其表面SEM扫描电镜结果见图4,性能测试结果见表4。
测试结果表明,同样上浆剂浓度下,采用进口上浆剂制备的上浆碳纤维,上浆量较低,离散程度高,表面仍可见较明显的沟槽,表面粗糙度较高,上浆分布不均匀;采用聚酯改性环氧树脂上浆剂制备的上浆碳纤维,上浆量更高,表面光滑均匀,上浆剂填充了表面沟槽结构,降低了表面粗糙度,上浆效果更为均匀稳定,填充能力更强,上浆速度更快。
改性环氧树脂乳液型碳纤维上浆剂制备、表面张力、黏度等性能测试(一)





